深圳市谷易电子有限公司欢迎您!

深圳市谷易电子有限公司

“谷”聚天下之检测
“易”通世界之雄芯
谷易电子

全国服务热线:

13823541376

产品中心Product Center

深圳市谷易电子有限公司

联系电话:13823541376

联系人:兰小姐

邮箱:sales@goodesocket.com

主营产品:定制测试座、老化测试座、弹片微针模组、memory测试座、测试夹具、BGA老化测试、QFN老化测试、Flash闪存测试、编程烧录座

QFN/DFN封装系列

当前位置:首页 > 产品中心 > QFN/DFN封装系列

DFN8pin-3.3X3.3mm(0.65mm) 转DIP8pin镀金高温老化座

发表时间:2021-05-12 15:34:56浏览量:2579

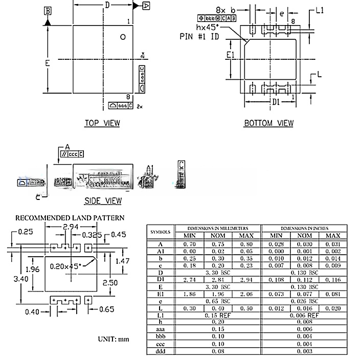
深圳谷易电子生产的DFN8pin-3.3X3.3mm(0.65mm) 转DIP8pin镀金高温老化座

测试座型号 : DFN3.3X3.3-8LA(0.65)翻盖式

IC整体宽度 : 3.3 x 3.3mm
IC      间 距 : 0.65mm
IC      封 装 : DFN3.3X3.3-8LA(0.65)
高低温范围 : -45℃ ~ +175℃