服务热线 13823541376
深圳市谷易电子有限公司
联系电话:13823541376
联系人:兰小姐
邮箱:sales@goodesocket.com
主营产品:定制测试座、老化测试座、弹片微针模组、memory测试座、测试夹具、BGA老化测试、QFN老化测试、Flash闪存测试、编程烧录座
发表时间:2026-03-09 09:55:17浏览量:425【小中大】
BGA132/BGA152/BGA154/BGA169存储芯片测试解析及谷易电子测试座应用
存储芯片作为数据存储与交互的核心载体,其封装形式朝着高密度、小型化演进,BGA(球栅阵列)封装因引脚间距小、散热性好、电气性能优异,成为中高端存储芯片的主流选择。其中BGA132、BGA152、BGA154、BGA169四种封装规格,广泛应用于不同层级的存储场景,其速率表现、应用领域及测试要求各有差异。
一、四种BGA封装存储芯片核心特性:速率与使用场景
BGA132、BGA152、BGA154、BGA169的核心差异集中在引脚数量、封装尺寸及速率上限,适配不同存储容量、性能需求的场景,以下结合行业主流产品参数及应用案例详细说明。
(一)BGA132存储芯片
1. 速率要求:BGA132封装存储芯片以中低速存储为主,主流类型为eMMC、NAND Flash,速率覆盖两个层级——基础款支持eMMC 4.5协议,时钟频率200MHz,读取速率约100MB/s、写入速率约40MB/s;高端款适配eMMC 5.1协议,支持HS400模式,读取速率可达250-400MB/s,部分NAND Flash产品支持Toggle DDR模式,数据访问带宽可达400MB/s,满足中低端设备的存储速率需求。
2. 使用场景:引脚数量适中(132个),封装尺寸紧凑(多为10mm×10mm或11mm×11mm),适配对体积和成本敏感的场景,主要应用于智能穿戴设备(手表、手环)、入门级智能手机、物联网终端(智能插座、传感器)、车载辅助设备(行车记录仪)等,核心作用是存储系统固件、基础数据及缓存文件,江波龙自研2D MLC NAND Flash便采用BGA132封装,可应用于eMMC、SSD等产品。
(二)BGA152存储芯片
1. 速率要求:定位中高端存储,主流为eMMC 5.1、eMCP(嵌入式多芯片封装),部分支持LPDDR4X,速率表现更优——eMMC 5.1版本读取速率可达300-450MB/s,写入速率100-200MB/s;LPDDR4X版本速率可达3200Mbps,支持双通道传输,能兼顾存储容量与数据传输效率,适配多任务处理场景。
2. 使用场景:引脚数量增加至152个,封装尺寸多为12mm×12mm,支持更大存储容量(64GB-256GB),主要应用于中端智能手机、平板电脑、智能音箱、工业控制模块等,需同时满足中等速率和较大存储需求的设备,例如小智音箱等终端便通过集成BGA152封装eMMC芯片提升存储性能。
(三)BGA154存储芯片
1. 速率要求:聚焦中高端高性能存储,以LPDDR4/LPDDR5、UFS 2.1为主,速率优势显著——LPDDR4版本速率可达2400Mbps,LPDDR5版本速率提升至4800Mbps,支持高频同步传输;UFS 2.1版本读取速率可达800MB/s,写入速率300MB/s,具备低功耗、高带宽的特点,适配高速数据交互场景。
2. 使用场景:引脚数量154个,封装尺寸与BGA152接近(12mm×12mm),但引脚布局更密集,支持更大带宽传输,主要应用于高端智能手机、平板电脑、轻薄本、车载中控系统等,需高速存储和多任务处理的设备,尤其适合需要频繁读写数据的场景,如车载导航、移动办公设备等。
(四)BGA169存储芯片
1. 速率要求:定位高端高性能存储,主流为LPDDR5、UFS 3.0及以上,部分为高容量NAND Flash,速率表现突出——LPDDR5版本速率可达6400Mbps,UFS 3.0版本读取速率1800MB/s、写入速率1000MB/s;部分NAND Flash产品时钟频率可达50MHz,接口支持SD/SPI串行模式,存储容量可达到512MB(4G×8),兼顾高速与大容量需求。
2. 使用场景:引脚数量最多(169个),封装尺寸多为12mm×16mm或9mm×9mm(细间距款),支持最大存储容量(256GB-1TB),主要应用于高端智能手机、游戏本、服务器、工业服务器、车载高端中控等,对存储速率和容量要求极高的设备,SanDisk的INAND Flash便有BGA169封装版本,广泛应用于各类高端存储场景。
二、四种存储芯片核心测试条件
存储芯片测试的核心目标是验证芯片在不同环境下的功能完整性、速率稳定性、电气性能及可靠性,结合四种BGA封装的特性,测试条件主要围绕电气测试、速率测试、环境测试、可靠性测试四大维度,遵循JEDEC行业标准,具体参数适配各封装芯片的速率与应用场景,以下为通用测试条件及差异化要求。
(一)通用测试条件
1. 电气测试:供电电压范围1.8V-3.3V(根据芯片类型调整,LPDDR系列多为1.1V-1.8V,eMMC系列多为2.7V-3.6V);接触电阻≤20mΩ,寄生电感<0.1nH,避免信号衰减;静态漏电流≤1μA,确保低功耗性能;绝缘阻抗在DC500V下≥1000MΩ,防止高压击穿。
2. 速率测试:采用ATE自动测试设备,模拟实际工作场景,验证芯片的读写速率、随机访问速度,确保符合对应协议标准(如eMMC 5.1、UFS 3.0、LPDDR5),误码率需<10^-12,时序容限符合JEDEC规范,确保数据传输的准确性。
3. 环境测试:常温测试(25℃±5℃)为基础,高低温测试覆盖-40℃~85℃(消费级)、-55℃~125℃(工业级、车规级);湿热测试(85℃/85%RH)持续168小时,验证芯片在极端环境下的稳定性;温度循环测试(-55℃↔125℃)循环1000次,验证封装抗热疲劳性能。
4. 可靠性测试:ESD防静电测试(HBM±2kV、CDM±500V),避免静电损伤;插拔寿命≥10万次,确保测试过程中接触稳定;HTOL高温工作寿命测试(125℃下连续运行1000小时),监测参数漂移,确保长期工作可靠性;焊球空洞率≤25%,裂纹长度≤焊球直径10%,符合JESD22-B111标准。
(二)差异化测试条件
1. BGA132:侧重中低速验证,速率测试重点验证200-400MB/s读取速率,无需高频信号屏蔽;环境测试以消费级标准为主,无需满足极端宽温要求,适合入门级存储场景的基础测试。
2. BGA152:需兼顾速率与容量测试,重点验证300-450MB/s读取速率、100-200MB/s写入速率,增加多通道传输测试,适配eMCP多芯片封装的功能验证,环境测试可覆盖工业级入门标准。
3. BGA154:聚焦高频速率测试,重点验证2400-4800Mbps的传输速率,需加强信号完整性测试(阻抗匹配50Ω±5%,传输延迟<0.5ps),增加电磁屏蔽测试,避免高频信号干扰,适配工业级、车规级场景的严苛要求。
4. BGA169:高端速率测试核心,重点验证6400Mbps(LPDDR5)、1800MB/s(UFS 3.0)以上的速率,需采用高频测试方案,加强时序精度测试和多任务并发读写测试;环境测试需满足车规级、工业服务器级标准,宽温域覆盖-55℃~175℃,可靠性测试需额外增加振动测试(符合MIL-STD-810G标准)。
三、谷易电子对应存储芯片测试座socket案例应用
存储芯片测试的精准度与稳定性,高度依赖测试座socket的性能——作为芯片与测试设备的电气连接桥梁,其接触稳定性、高频适配性、环境适应性直接决定测试结果的真实性。谷易电子深耕IC测试座领域20年,针对BGA132、BGA152、BGA154、BGA169四种存储芯片,推出专用测试座解决方案,完美适配各封装的测试需求,以下结合实际应用案例详细说明其核心优势与适配场景。
(一)谷易电子测试座核心设计优势
谷易电子针对四种BGA存储芯片的测试痛点,优化测试座结构与材质,核心优势贯穿测试全流程,适配不同速率、不同场景的测试需求:
1. 高频适配能力:采用进口镀金探针,接触电阻稳定≤15mΩ,寄生电感<0.08nH,完美匹配BGA154、BGA169的高频速率测试(最高支持6400Mbps),无信号衰减、无波形畸变,确保高频场景下的测试精准度,探针特殊头形突起可刺破焊接球氧化层,保障接触可靠性。
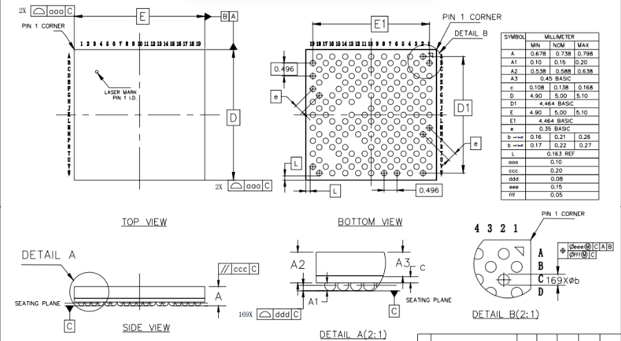
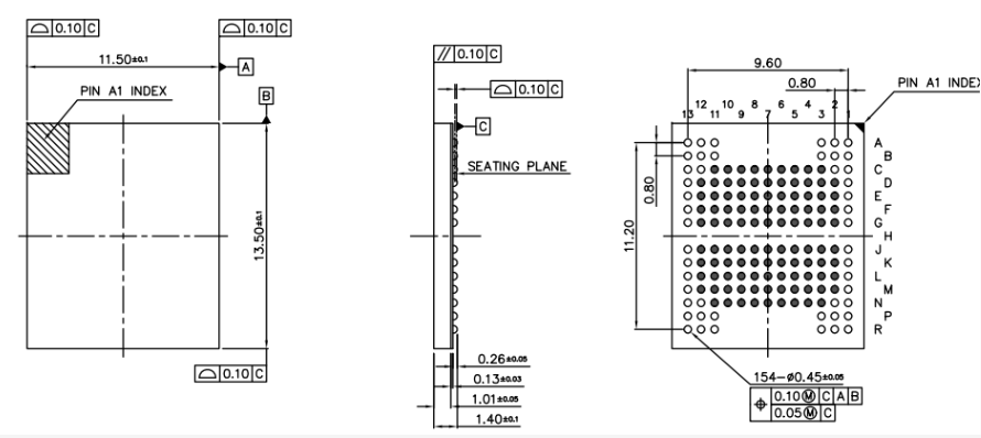
2. 全封装精准适配:覆盖BGA132、BGA152、BGA154、BGA169全规格,支持0.3mm超细间距引脚,适配不同封装尺寸(10mm×10mm至12mm×16mm),针对每种封装的引脚布局优化探针排列,避免引脚间串扰,适配eMMC、LPDDR、UFS等多种存储芯片类型,IC有锡球、无锡球均可测试。
3. 宽环境适配:采用Torlon、PEI等防静电材料,耐高低温范围-55℃~175℃,适配消费级、工业级、车规级芯片的环境测试需求;绝缘阻抗达1000MΩ以上,耐压700V AC/1分钟,避免高压测试中出现击穿、漏电问题,保障测试安全。
4. 高可靠性与便捷性:插拔寿命≥15万次,双扣式锁紧结构(BGA132/BGA152)、合金顶窗按压式结构(BGA154/BGA169),确保芯片与探针紧密接触,杜绝振动、接触不良导致的误测;探针可更换,便于拆卸维护,降低测试成本,测试准确率达100%,支持自动化机台适配,提升测试效率。
(二)分封装实际应用案例
1. BGA132存储芯片测试案例:某物联网终端厂商的eMMC存储芯片(BGA132封装,读取速率400MB/s)量产测试中,采用谷易电子BGA132翻盖弹针测试座,适配半自动测试机台,测试座通过精准定位与低接触电阻设计,稳定传导测试信号,有效筛选出速率不达标、漏电流超标的不良品,测试良率提升至99.8%,不良品漏测率<0.1ppm,同时适配该芯片2.7V~3.6V的供电需求,测试效率达1000+芯片/小时,大幅降低量产测试成本,适配物联网终端的批量测试场景。
2. BGA152存储芯片测试案例:某中端手机厂商的eMCP芯片(BGA152封装,读取速率450MB/s)研发与量产测试中,谷易电子BGA152测试座凭借多通道适配能力,完美验证芯片的双通道传输性能,同时支持高低温测试(-40℃~85℃),模拟手机极端使用环境,测试过程中无接触不良、信号失真问题,帮助厂商优化芯片封装设计,缩短研发周期,其手动翻盖式结构操作便捷,下压平稳,确保芯片压力均匀,适配手机存储芯片的研发与量产双重场景。
3. BGA154存储芯片测试案例:某车载电子厂商的LPDDR5存储芯片(BGA154封装,速率4800Mbps)可靠性测试中,谷易电子BGA154高频测试座通过电磁屏蔽设计,有效避免车载环境中的电磁干扰,宽温域(-55℃~125℃)适配能力满足车规级测试要求,精准完成速率测试、时序测试与ESD测试,验证芯片在车载中控高温、高频场景下的稳定性,其高精度模具定位确保探针与引脚精准对接,适配车规级存储芯片的严苛可靠性测试需求,符合AEC-Q100标准。
4. BGA169存储芯片测试案例:某服务器厂商的UFS 3.0存储芯片(BGA169封装,读取速率1800MB/s)测试中,谷易电子BGA169下压式合金顶窗测试座适配自动化测试机台,支持高频信号传输,寄生电感控制在0.08nH以内,确保1800MB/s速率测试的精准度,同时通过HTOL测试验证,实时追踪芯片结温变化,保障芯片长期工作可靠性,其适配12mm×16mm封装尺寸,探针排列优化避免引脚串扰,适配服务器高端存储芯片的高性能、高可靠性测试需求,符合JEDEC JESD79-5C标准,同时适配SanDisk等品牌的BGA169封装NAND Flash测试需求。
BGA132、BGA152、BGA154、BGA169四种存储芯片,覆盖从入门级到高端的全场景存储需求,速率从100MB/s提升至1800MB/s以上,适配物联网、智能终端、车载、服务器等不同领域,其测试条件需结合速率、应用场景的差异,重点关注电气性能、速率稳定性、环境适应性与可靠性。
谷易电子针对四种封装推出的专用测试座socket,凭借高频适配、全封装兼容、宽环境适配、高可靠性的优势,完美匹配各类型存储芯片的测试需求,从研发验证到量产测试,为芯片质量把控提供核心支撑,其探针可更换、便捷维护的设计,进一步降低测试成本、提升测试效率,贴合行业量产与研发的实际需求。

在线咨询



扫一扫关注官方微信
13823541376